Ligue para nós agora
Linha fixo: +86-750-6688281
Telefone: +86-13392072868
Telefone: +86-13302589039
| Status de disponibilidade: | |
|---|---|
| Quantidade: | |
| P Nome da arte | CX460 CX470 UNIDADE FINAL | |||||
| Equipamento | Aplicar à escavadeira de caso | |||||
| Parte não. | LN00102 | |||||
| Orifícios da estrutura | 24 | |||||
| Orifícios de roda dentada | 30 | |||||
| Condição do item | Novo | |||||
| Logotipo | LIBRA | |||||
| Peso bruto | 938kg | |||||
| MOQ | 1 pc | |||||





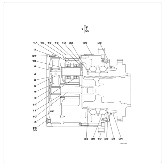
| POS. | Parte No | Qtty | Peças Nome | Comentários |
|---|---|---|---|---|
| 1. | LN00102 | [1] | Unidade de redução de engrenagem | SOMA incl. 2 - 30 Substituído pelo número da peça: LN003790 |
| 2. | LW00390 | [1] | COBRIR | SOMA |
| 3. | LX00045 | [1] | Portador de pinhão | Portador de engrenagem soma |
| 4. | LA00844 | [3] | ALFINETE | SOMA |
| 5. | LB00789 | [3] | Rolamento da agulha | SOMA |
| 6. | LA00845 | [6] | Lavadora | SOMA |
| 7. | LC00209 | [3] | Equipamento planetário | SOMA |
| 8. | 338W060Z036N | [3] | ALFINETE | SUM substituído pelo número da peça: 338W060Z036B |
| 9. | LR00857 | [1] | PLACA | SOMA |
| 10. | LC00210 | [1] | Engrenagem solar | SOMA |
| 11. | LC00211 | [1] | Engrenagem solar | SOMA |
| 12. | LN00103 | [1] | Eixo, carro planetário | SOMA |
| 13. | LA00846 | [3] | ALFINETE | SOMA |
| 14. | LB011020 | [6] | Rolamento do rolo | SUM substitui LB00831 |
| 15. | LC00212 | [3] | Equipamento planetário | SOMA |
| 16. | 338W100Z063Z | [3] | Pasto | SUM substituído pelo número da peça: 338W100Z063B |
| 17. | 380A1200Z | [6] | Anel de encaixe | SOMA |
| 18. | LT00128 | [1] | Habitação | SOMA |
| 19. | LC00213 | [1] | Equipamento do anel | SOMA |
| 20. | LB00832 | [2] | Rolamento de esfera | SOMA |
| 21. | LH00390 | [1] | Kit | SOMA |
| 21. | LH00434 | [1] | CALÇO, 2,0 mm Thk | SUM Se usado Substituído pelo número da peça: LH00390 |
| 22. | LA00847 | [2] | Lavadora de trava | SOMA |
| 23. | LS00212 | [1] | TITULAR | SOMA |
| 24. | LE00993 | [1] | SELO | SOMA |
| 25. | LW00391 | [1] | COBRIR | SOMA |
| 26. | 108R020Y120B | [26] | PARAFUSO | SOMA |
| 27. | 863-12030 | [25] | PARAFUSO HEX SOC, M12 x 30mm, Cl 12,9 | Cas |
| 28. | 863-10025 | [16] | PARAFUSO HEX SOC, M10 x 25mm, Cl 12,9 | CAS substituído pelo número da peça: 86625209 |
| 29. | LK00383 | [2] | Plugue | SOMA |
| 30. | 154503A1 | [2] | O-ring | SOMA |
| P Nome da arte | CX460 CX470 UNIDADE FINAL | |||||
| Equipamento | Aplicar à escavadeira de caso | |||||
| Parte não. | LN00102 | |||||
| Orifícios da estrutura | 24 | |||||
| Orifícios de roda dentada | 30 | |||||
| Condição do item | Novo | |||||
| Logotipo | LIBRA | |||||
| Peso bruto | 938kg | |||||
| MOQ | 1 pc | |||||





| POS. | Parte No | Qtty | Peças Nome | Comentários |
|---|---|---|---|---|
| 1. | LN00102 | [1] | Unidade de redução de engrenagem | SOMA incl. 2 - 30 Substituído pelo número da peça: LN003790 |
| 2. | LW00390 | [1] | COBRIR | SOMA |
| 3. | LX00045 | [1] | Portador de pinhão | Portador de engrenagem soma |
| 4. | LA00844 | [3] | ALFINETE | SOMA |
| 5. | LB00789 | [3] | Rolamento da agulha | SOMA |
| 6. | LA00845 | [6] | Lavadora | SOMA |
| 7. | LC00209 | [3] | Equipamento planetário | SOMA |
| 8. | 338W060Z036N | [3] | ALFINETE | SUM substituído pelo número da peça: 338W060Z036B |
| 9. | LR00857 | [1] | PLACA | SOMA |
| 10. | LC00210 | [1] | Engrenagem solar | SOMA |
| 11. | LC00211 | [1] | Engrenagem solar | SOMA |
| 12. | LN00103 | [1] | Eixo, carro planetário | SOMA |
| 13. | LA00846 | [3] | ALFINETE | SOMA |
| 14. | LB011020 | [6] | Rolamento do rolo | SUM substitui LB00831 |
| 15. | LC00212 | [3] | Equipamento planetário | SOMA |
| 16. | 338W100Z063Z | [3] | Pasto | SUM substituído pelo número da peça: 338W100Z063B |
| 17. | 380A1200Z | [6] | Anel de encaixe | SOMA |
| 18. | LT00128 | [1] | Habitação | SOMA |
| 19. | LC00213 | [1] | Equipamento do anel | SOMA |
| 20. | LB00832 | [2] | Rolamento de esfera | SOMA |
| 21. | LH00390 | [1] | Kit | SOMA |
| 21. | LH00434 | [1] | CALÇO, 2,0 mm Thk | SUM Se usado Substituído pelo número da peça: LH00390 |
| 22. | LA00847 | [2] | Lavadora de trava | SOMA |
| 23. | LS00212 | [1] | TITULAR | SOMA |
| 24. | LE00993 | [1] | SELO | SOMA |
| 25. | LW00391 | [1] | COBRIR | SOMA |
| 26. | 108R020Y120B | [26] | PARAFUSO | SOMA |
| 27. | 863-12030 | [25] | PARAFUSO HEX SOC, M12 x 30mm, Cl 12,9 | Cas |
| 28. | 863-10025 | [16] | PARAFUSO HEX SOC, M10 x 25mm, Cl 12,9 | CAS substituído pelo número da peça: 86625209 |
| 29. | LK00383 | [2] | Plugue | SOMA |
| 30. | 154503A1 | [2] | O-ring | SOMA |